Three Phase Three Winding Transformer
Description of the Three Phase Three Winding Transformer component in Schematic Editor
Component Description

Three Phase Three Winding Transformer is modeled as three single-phase three winding transformers, meaning that only magnetic coupling between windings of the same phase are taken into account. The magnetization inductance Lm can be linear or with saturation, it is modeled on the primary side of the transformer. Core losses are modeled as Rm resistance located on the primary side of the transformer. Also, it is possible to neglect Lm and Rm by selecting Lm/Rm neglected in the Core model property. Finally, Hysteresis can also be simulated for slower dynamics. For more information, please refer to the Core model section.
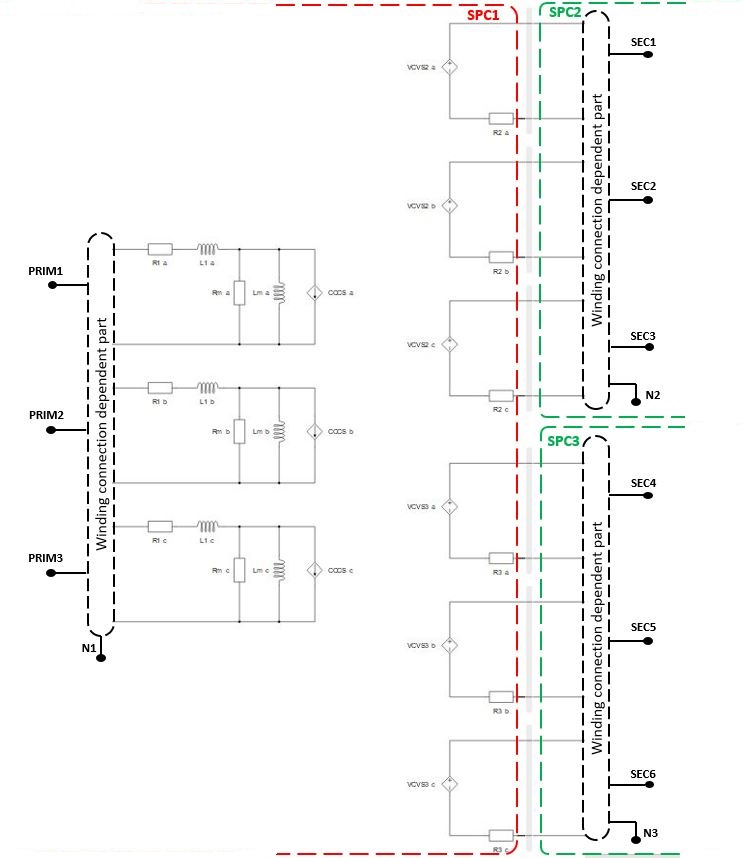
A schematic block diagram of the three-phase three-winding transformer block with corresponding component arrangement and naming is shown in Figure 2.

It should be noted that terminals N1, N2, and N3 can be connected with the rest of the circuit in schematic editor only if the corresponding side is wye (Y) connected.
Internal variables of the transformer are available for observation at the analog outputs. The names of the variables available for observation are divided into three groups to represent each of the three single-phase transformers (1, 2, and 3, respectively).
Embedded coupling
There are two possible options for embedded coupling in the single phase two winding transformer: Ideal Transformer based coupling and TLM coupling.
Ideal Transformer Embedded coupling type is ignored in TyphoonSim and will not affect TyphoonSim simulation at all.
- TLM Embedded coupling type will be replaced with a corresponding inductor in TyphoonSim.
If Embedded coupling is set to Ideal Transformer, Ideal Transformer based coupling will be placed between two windings of transformer.
Visual representation of circuit division among standard processing cores are given in:
- Figure 4 when Embedded coupling 1-2 is set to Ideal Transformer;
- Figure 5 when both Embedded coupling 1-2 and Embedded coupling 1-3 are set to Ideal Transformer.


If Embedded coupling is set to TLM, a secondary winding inductor in each phase will be replaced with a TLM coupling component. Inductance will be divided between coupling and embedded inductors (inductors will be hidden in the TLM). The TLM to embedded inductors ratio can be determined by the compiler, but it can also be specified explicitly. If the Automatic option is selected, the ratio will be determined by the discretization method. If the Manual option is selected, the ratio can be explicitly set to meet user requirements. For more information on TLM couplings please refer to Core couplings - TLM.
Visual representation of circuit division among standard processing cores are given in:
- Figure 5 when Embedded coupling 1-3 is set to TLM;
- Figure 6 when both Embedded coupling 1-2 and Embedded coupling 1-3 are set to TLM.


Ports
- prm_1 (electrical)
- Primary winding port 1.
- prm_2 (electrical)
- Primary winding port 2.
- prm_3 (electrical)
- Primary winding port 3.
- n1 (electrical)
- Available if Winding 1 connection is set to Y
- Primary winding neutral port.
- sec_1 (electrical)
- Secondary winding 2 port 1.
- sec_2 (electrical)
- Secondary winding 2 port 2.
- sec_3 (electrical)
- Secondary winding 2 port 3.
- n2 (electrical)
- Available if Winding 2 connection is set to Y
- Secondary winding neutral port.
- sec_4 (electrical)
- Secondary winding 3 port 4.
- sec_5 (electrical)
- Secondary winding 3 port 5.
- sec_6 (electrical)
- Secondary winding 3 port 6.
- n3 (electrical)
- Available if Winding 3 connection is set to Y
- Secondary winding neutral port.
General (Tab)
- Input parameters
- Specifies parameters format (SI, pu, or SC and OC tests).
- If SC and OC tests is selected, the short circuit test results in terms of Psc1 and usc1 are considered to be the same results for the primary to secondary short circuit as well as for the primary to tertiary short circuit.
- V1
- Rated line to line voltage of primary winding [Vrms].
- V2
- Rated line to line voltage of secondary winding [Vrms].
- V3
- Rated line to line voltage of secondary winding [Vrms].
- R1
- Available if Input parameters is set to SI.
- Resistance of primary winding [Ω].
- L1
- Available if Input parameters is set to SI.
- Leakage inductance of primary winding [H].
- R2
- Available if Input parameters is set to SI.
- Resistance of secondary winding [Ω].
- L2
- Available if Input parameters is set to SI.
- Leakage inductance of secondary winding [H].
- R3
- Available if Input parameters is set to SI.
- Resistance of secondary winding [Ω].
- L3
- Available if Input parameters is set to SI.
- Leakage inductance of secondary winding [H].
- r1
- Available if Input parameters is set to pu.
- Resistance of primary winding [pu].
- l1
- Available if Input parameters is set to pu.
- Leakage inductance of primary winding [pu].
- r2
- Available if Input parameters is set to pu.
- Resistance of secondary winding [pu].
- l2
- Available if Input parameters is set to pu.
- Leakage inductance of secondary winding [pu].
- r3
- Available if Input parameters is set to pu.
- Resistance of secondary winding [pu].
- l3
- Available if Input parameters is set to pu.
- Leakage inductance of secondary winding [pu].
- Sn
- Available if Input parameters is set to SC and OC tests.
- Nominal Power of the transformer [VA].
- f
- Available if Input parameters is set to SC and OC tests.
- Nominal frequency [Hz].
- usc1
- Available if Input parameters is set to SC and OC tests.
- Postive sequence short circuit voltage
- Psc1
- Available if Input parameters is set to SC and OC tests.
- Postive sequence short circuit losses
- Core model
- Selects transformer core model implementation.
- Several levels of model fidelity are available - linear, Non-linear, Rm/Lm neglected, or Hysteresis.
- rm
- Available if Input parameters is set to pu and Core model is set to Linear, Non-Linear, or Hysteresis.
- Resistance representing core losses [pu].
- lm
- Available if Input parameters is set to pu and Core model is set to Linear.
- Magnetization inductance [pu].
- Flux values
- Available if Core model is set to Non-Linear or Hysteresis.
- List of magnetic flux values [Wb] or [pu].
- Current values
- Available if Core model is set to Non-Linear or Hysteresis.
- List of current values [A] or [pu].
- Hysteresis flux values
- Available if Core model is set to Hysteresis
- Vector of mgnetizing flux for upper hysteresis [Wb] or [pu]
- Rm
- Available if Input parameters is set to SI and Core model is set to Linear, Non-Linear, or Hysteresis.
- Resistance representing core losses [Ω].
- Lm
- Available if Input parameters is set to SI and Core model is set to Linear.
- Magnetization inductance [H].
- ioc1
- Available if Input parameters is set to SC and OC tests and Core model is set to Linear, Non-Linear, or Hysteresis.
- Postive sequence no load excitstion current.
- Poc1
- Available if Input parameters is set to SC and OC tests and Core model is set to Linear, Non-Linear, or Hysteresis.
- Postive sequence no load losses.
- Execution rate
- Available if Core model is set to Hysteresis.
- Defines the execution rate of measurement and signal processing components.
Winding connection (Tab)
- Winding 1 connection
-
The available connections are star (Y) and delta (D).
-
- Winding 2 connection
-
The available connections are star (Y) and delta (D).
-
- Winding 3 connection
-
The available connections are star (Y) and delta (D).
-
- clk_num_12
- Determines the phase displacement between voltages of winding 1 and 2
- clk_num_13
- Determines the phase displacement between voltages of winding 1 and 3
Coupling (Tab)
Ideal Transformer Embedded coupling type is ignored in TyphoonSim and will not affect TyphoonSim simulation at all.
- TLM Embedded coupling type will be replaced with a corresponding inductor in TyphoonSim.
- Embedded coupling 1-2
- Inserts a coupling component between winding 1 and 2 - can be set to Ideal Transformer or TLM.
- You can read more information about Embedded coupling in the Embedded coupling section
- Embedded coupling 1-3
- Inserts a coupling component between winding 1 and 3 - can be set to Ideal Transformer or TLM.
- You can read more information about Embedded coupling in the Embedded coupling section
- Type of coupling element
- Available if Embedded coupling is set to Ideal Transformer or TLM.
- Defines whether the inserted coupling component is a core or a device coupling. Only one of the inserted coupling components can be a device coupling.
- Device coupling is available only for Ideal Transformer based coupling.
- TLM 1-2/Embedded components ratio
- Available if Embedded coupling 1-2 is set to TLM.
- Defines how coupling to embedded inductors ratio will be calculated- can be set to Manual or Automatic
- TLM 1-3/Embedded components ratio
- Available if Embedded coupling 1-3 is set to TLM.
- Defines how coupling to embedded inductors ratio will be calculated- can be set to Manual or Automatic
- Ratio
- Available if TLM/Embedded components ratio is set to Manual.
- Used to specify coupling to embedded inductors ratio